CPU 的工作原理是什么_-码农的荒岛求生
想了解CPU的工作原理莫过于从头开始用最基础的元素打造一个简单CPU。
接下来我会从最简单的晶体管开始一步步讲解CPU是如何构造出来的,明白了这个过程理解 CPU 的工作原理不在话下,在此之后我会从最基础的二进制机器指令一步步讲解高级语言的基本原理,通读本文后你将彻底明白CPU与高级语言的工作原理。
以下内容出自我的两篇文章《你管这破玩意叫CPU?》《你管这破玩意叫编程语言?》。
每次回家开灯时你有没有想过,用你按的简单开关实际上能打造出复杂的 CPU 来,只不过需要的数量会比较多,也就几十亿 个吧。
伟大的发明
过去200年人类最重要的发明是什么?蒸汽机?电灯?火箭?这些可能都不是,最重要的也许是这个小东西:

这个小东西就叫晶体管 ,你可能会问,晶体管有什么用呢?
实际上晶体管的功能简单到不能再简单,给一端通上电,那么电流可以从另外两端通过,否则不能通过,其本质就是一个开关。
就是这个小东西的发明让三个人获得了诺贝尔物理学奖,可见其举足轻重的地位。无论程序员编写的程序多么复杂,软件承载的功能最终都是通过这个小东西简单的开闭完成的 ,除了神奇二字,我想不出其它词来。
AND、OR、NOT
现在有了晶体管,也就是开关,在此基础之上就可以搭积木了,你随手搭建出来这样三种组合:
- 两个开关只有同时打开电流才会通过,灯才会亮
- 两个开关中只要有一个打开电流就能通过,灯就会亮
- 当开关关闭时电流通过灯会亮,打开开关灯反而电流不能通过灯会灭
天赋异禀的你搭建的上述组合分别就是:与门,AND Gate、或门,OR gate、非门,NOT gate,用符号表示就是这样:

道生一、一生二、二生三、三生万物
最神奇的是,你随手搭建的三种电路竟然有一种很amazing的特性,那就是:任何一个逻辑函数最终都可以通过AND、OR以及NOT表达出来,这就是所谓的逻辑完备性,就是这么神奇。
也就是说给定足够的AND、OR以及NOT门,就可以实现任何一个逻辑函数,除此之外我们不需要任何其它类型的逻辑门电路, 这时我们认为{AND、OR、NOT}就是逻辑完备的。
这一结论的得出吹响了计算机革命的号角,这个结论告诉我们计算机最终可以通过简单的{AND、OR、NOT}门构造出来,就好比基因。

老子有云:道生一、一生二、二生三、三生万物,实乃异曲同工之妙 。虽然,我们可以用AND、OR、NOT来实现所有的逻辑运算,但我们真的需要把所有的逻辑运算都用AND、OR、NOT门实现出来吗?显然不是,而且这也不太可行。
计算能力是怎么来的
现在能生成万物的基础元素与或非门出现了,接下来我们着手设计CPU 最重要的能力:计算,以加法为例。由于CPU只认知 0 和 1,也就是二进制,那么二进制的加法有哪些组合呢:
- 0 + 0,结果为0,进位为0
- 0 + 1,结果为1,进位为0
- 1 + 0,结果为1,进位为0
- 1 + 1,结果为0,进位为1,二进制嘛!
注意进位一列,只有当两路输入的值都是 1 时,进位才是 1 ,看一下你设计的三种组合电路,这就是与门啊,有没有!再看下结果一列,当两路输入的值不同时结果为1,输入结果相同时结果为0,这就是异或啊,有没有!
我们说过与或非门是逻辑完备可以生万物,异或逻辑当然不在话下,用一个与门和一个异或门就可以实现二进制加法:

上述电路就是一个简单的加法器,就问你神奇不神奇,加法可以用与或非门实现,其它的也一样能实现,逻辑完备嘛。
除了加法,我们也可以根据需要将不同的算数运算设计出来,负责计算的电路有一个统称,这就是所谓的arithmetic/logic unit,ALU,CPU 中专门负责运算的模块,本质上和上面的简单电路没什么区别,就是更加复杂而已。
现在,通过与或非门的组合我们获得了计算能力,计算能力就是这么来的。但,只有计算能力是不够的,电路需要能记得住 信息。
神奇的记忆能力
到目前为止,你设计的组合电路比如加法器天生是没有办法存储信息的,它们只是简单的根据输入得出输出,但输入输出总的有个地方能够保存起来,这就是需要电路能保存信息。
电路怎么能保存信息呢?你不知道该怎么设计,这个问题解决不了你寝食难安,吃饭时在思考、走路时在思考,蹲坑时在思考,直到有一天你在梦中遇一位英国物理学家,他给了你这样一个简单但极其神奇的电路:

这是两个NAND门的组合,不要紧张,NAND也是有你设计的与或非门组合而成的,所谓NAND门就是与非门,先与然后取非,比如给定输入1和0,那么与运算后为0,非运算后为1,这就是与非门,这些不重要。
比较独特的是该电路的组合方式,一个NAND门的输出是两一个NAND门的输入 ,该电路的组合方式会自带一种很有趣的特性,只要给S和R段输入1,那么这个电路只会有两种状态 :
- 要么a端为1,此时B=0、A=1、b=0;
- 要么a端为0,此时B=1、A=0、b=1;
不会再有其他可能了,我们把a端的值作为电路的输出 。
此后,你把S端置为0的话(R保持为1),那么电路的输出也就是a端永远为1,这时就可以说我们把1存到电路中了;而如果你把R段置为0的话(S保持为1),那么此时电路的输出也就是a端永远为0,此时我们可以说把0存到电路中了。
就问你神奇不神奇,电路竟然具备存储信息的能力了 。现在为保存信息你需要同时设置S端和R端,但你的输入是有一个(存储一个bit位嘛),为此你对电路进行了简单的改造:

这样,当D为0时,整个电路保存的就是0,否则就是1。
寄存器与内存的诞生
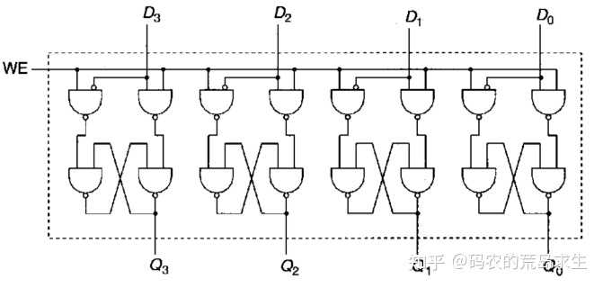
现在你的电路能存储一个比特位了,想存储多个比特位还不简单,复制粘贴就可以了:

我们管这个组合电路就叫寄存器 ,你没有看错,我们常说的寄存器就是这个东西。
你不满足,还要继续搭建更加复杂的电路以存储更多信息,同时提供寻址功能,就这样内存 也诞生了。
寄存器及内存都离不开上一节那个简单电路,只要通电,这个电路中就保存信息,但是断电后很显然保存的信息就丢掉了,现在你应该明白为什么内存在断电后就不能保存数据了吧 。
硬件还是软件?
现在我们的电路可以计算数据、也可以存储信息,但现在还有一个问题,那就是尽管我们可以用AND、OR、NOT表达出所有的逻辑函数,但我们真的有必要把所有的逻辑运算都用与或非门实现出来吗?这显然是不现实的。
这就好比厨师,你没有听说只专做一道菜的厨师然后酒店要把各个菜系厨师雇全才能做出一桌菜来吧!
中国菜系博大精深,千差万别,但制作每道菜品的方式大同小异,其中包括刀工、颠勺技术等,这些是基本功,制作每道菜品都要经过这些步骤,变化的也无非就是食材、火候、调料等,这些放到菜谱中即可,这样给厨师一个菜谱他就能制作出任意的菜来,在这里厨师就好比硬件,菜谱就好比软件。

同样的道理,我们没有必要为所有的计算逻辑实现出对应的硬件 ,硬件只需要提供最基本的功能,最终所有的计算逻辑都通过这些最基本的功能用软件表达出来就好,这就是所谓的软件一词的来源,硬件不可变,但软件可变 ,不变的是硬件但提供不同的软件就能让硬件实现全新的功能 ,无比天才的思想 ,人类真的是太聪明了。
同样一台计算机硬件,安装上word你就能编辑文档,安装上微信你就能在公号中读到码农的荒岛求生、安装上游戏你就能玩王者农药,硬件还是那套硬件,提供不同的软件就是实现不同的功能,每次打开电脑使用各种App时没有在内心高呼一声牛逼你都对不起计算机这么伟大的发明创造 ,这就是为什么计算机被称为通用 计算设备的原因,这一思想是计算机科学祖师爷图灵提出的。
说到牛逼的通用设备,在这样也推荐一份牛逼的算法刷题资料,除了本文讲到的底层技术,,想进BAT、TMD、快手这样的一线大厂算法绝不可忽视,认认真真过上一遍这份资料,这些大厂算法面试一关大部分题目都不在话下 :
Github疯传!阿里P8大佬写的Leetcode刷题笔记,秒杀80%的算法题!
扯远了,接下来我们看下硬件是怎么提供所谓的基本功能的。
硬件的基本功
让我们来思考一个问题,CPU怎么能知道自己要去对两个数进行加法计算,以及哪两个数进行加法计算呢?
很显然,你得告诉CPU,该怎么告诉呢?还记得上一节中给厨师的菜谱吗?没错,CPU也需要一张菜谱告诉自己该接下来该干啥,在这里菜谱就是机器指令,指令通过我们上述实现的组合电路来执行。
接下来我们面临另一个问题,那就是这样的指令应该会很多吧,废话,还是以加法指令为例,你可以让CPU计算1+1,也可以计算1+2等等,实际上单单加法指令就可以有无数种组合,显然CPU不可能去实现所有的指令。
实际上CPU只需要提供加法操作 ,你提供操作数 就可以了,CPU 说:“我可以打人”,你告诉CPU该打谁、CPU 说:“我可以唱歌”,你告诉CPU唱什么,CPU 说我可以做饭,你告诉CPU该做什么饭,CPU 说:“我可以炒股”,你告诉CPU快滚一边去吧韭菜。因此我们可以看到CPU只提供机制 或者说功能(打人、唱歌、炒菜,加法、减法、跳转),我们提供策略(打谁、歌名、菜名,操作数,跳转地址)。
CPU 表达机制就通过指令集来实现的。
指令集
指令集告诉我们 CPU 可以执行什么指令,每种指令需要提供什么样的操作数。不同类型的CPU会有不同的指令集。指令集中的指令其实都非常简单,画风大体上是这样的:
- 从内存中读一个数,地址是abc
- 对两个数加和
- 检查一个数是不是大于6
- 把这数存储到内存,地址是abc
- 等等
看上去很像碎碎念有没有,这就是机器指令,我们用高级语言编写的程序,比如对一个数组进行排序,最终都会等价转换为上面的碎碎念指令,然后 CPU 一条一条的去执行,很神奇有没有 。接下来我们看一条可能的机器指令:

这条指令占据16比特,其中前四个比特告诉CPU这是加法指令,这意味着该CPU的指令集中可以包含2^4也就是16个机器指令,这四个比特位告诉CPU该做什么,剩下的bit告诉CPU该怎么做,也就是把寄存器R6和寄存器R2中的值相加然后写到寄存器R6中。
可以看到,机器指令是非常繁琐的,现代程序员都使用高级语言来编写程序,关于高级程序语言以及机器指令的话题请参见《你管这破玩意叫编程语言?》。
指挥家:让我们演奏一曲
现在我们的电路有了计算功能、存储功能,还可以通过指令告诉该电路执行什么操作,还有一个问题没有解决。
我们的电路有很多部分,用来计算的、用来存储的,以最简单的加法为例,假设我们要计算1+1,这两个数分别来自寄存器R1 和 R2,要知道寄存器中可以保存任意值,我们怎么能确保加法器开始工作时R1和R2中在这一时刻保存的都是1而不是其它数 ?
即,我们靠什么来协调或者说靠什么来同步电路各个部分让它们协同工作呢?就像一场成功的交响乐演离不开指挥家一样,我们的计算组合电路也需要这样一个指挥家。

负责指挥角色的就是时钟信号。
时钟信号就像指挥家手里拿的指挥棒,指挥棒挥动一下整个乐队会整齐划一的有个相应动作 ,同样的,时钟信号每一次电压改变,整个电路中的各个寄存器(也就是整个电路的状态)会更新一下,这样我们就能确保整个电路协同工作不会这里提到的问题。
现在你应该知道CPU的主频是什么意思了吧,主频是说一秒钟指挥棒挥动了多少次,显然主频越高CPU在一秒内完成的操作也就越多。
大功告成
现在我们有了可以完成各种计算的ALU、可以存储信息的寄存器以及控制它们协同工作的时钟信号,这些统称 Central Processing Unit ,简称就是 CPU 。
接下来我们看一下CPU 与高级语言。
创世纪:聪明的笨蛋
CPU 相当原始,就像单细胞生物一样,只能把数据从一个地方搬到另一个地方、简单的加一下,没有任何高难度动作,这些操作虽然看上去很简单很笨,但 CPU 有一个无与伦比的优势,那就是一个字:快,这是人类比不了了的,CPU 出现后人类开始拥有第二个大脑 。就是这样原始的一个物种开始支配起另一个叫做程序员的物种。
干活的是大爷
一般来说两个不同的物种要想交流,比如人和鸟,就会有两种方式:要不就是鸟说人话,让人听懂;要不就是人说鸟语,让鸟听懂;就看谁厉害了。最开始 CPU 胜出,程序员开始说鸟语并认真感受 CPU 的支配地位,好让 CPU 大爷可以工作,感受一下最开始的程序员是怎么说鸟语的:

程序员按照 CPU 的旨意直接用0和1编写指令,你没有看错,这破玩意就是代码了,就是这么原生态,然后放到打孔纸带上输入给CPU,CPU 开始工作,这时的程序可真的是看得见摸得着,就是有点浪费纸。
这时程序员必须站在 CPU 的角度来写代码,画风是这样的:
1101101010011010
1001001100101001
1100100011011110
1011101101010010
乍一看你知道这是什么意思吗?你不知道,心想:“这是什么破玩意?”,但 CPU 知道,心想“这就简直就是世界上最美的语言”。
天降大任
终于有一天程序员受够了说鸟语,好歹也是灵长类,叽叽喳喳说鸟语太没面子,你被委以重任:让程序员说人话。你没有苦其心志劳其筋骨,而是仔细研究了一下 CPU,发现 CPU 执行的指令集来来回回就那么几个指令,比如加法指令、跳转指令等等,因此你把机器指令和对应的具体操作做了一个简单的映射,把机器指令映射到人类能看懂的单词 ,这样上面的01串就变成了:
sub $8, %rsp
mov $.LC0, %edi
call puts
mov $0, %eax
这样,程序员不必生硬的记住1011…,而是记住人类可以认识的ADD SUB MUL DIV等这样的单词即可。

汇编语言就这样诞生了,编程语言中首次出现了人类可以认识的东西 。
这时程序员终于不用再“叽叽喳喳。。”,而是升级为“阿巴阿巴。。”,虽然人类认知“阿巴阿巴”这几个字,但这和人类的语言在形式上 差别还是有点大。
细节 VS 抽象
尽管汇编语言已经有人类可以认识的单词,但汇编语言和机器语言一样都属于低级语言。所谓低级语言是说你需要关心所有细节 。关心什么细节呢?我们说过,CPU 是非常原始的东西,只知道把数据从一个地方搬到另一个地方,简单的操作一下再从一个地方搬到另一地方。因此,如果你想用低级语言来编程的话,你需要使用多个“把数据从一个地方搬到另一个地方,简单的操作一下再从一个地方搬到另一地方”这样的简单指令来实现诸如排序这样复杂的问题 。有的同学可能对此感触不深,这就好比,本来你想表达“去给我端杯水过来”:

如果你用汇编这种低级语言就得这样实现:

我想你已经 Get 到了。
弥补差异
CPU 实在太简单了,简单到不能了理解任何稍微抽象一点诸如“给我端杯水”这样的东西,但人类天生习惯抽象化的表达,人类和机器的差距有办法来弥补吗?换句话说就是有没有一种办法可以自动把人类抽象的表达转为 CPU 可以理解的具体实现 ,这显然可以极大增强程序员的生产力,现在,这个问题需要你来解决。

套路,都是套路
思来想去你都不知道该怎么把人类的抽象自动转为 CPU 能理解的具体实现,就在要放弃的时候你又看了一眼 CPU 可以理解的一堆细节:

电光火石之间灵光乍现,你发现了满满的套路,或者说模式 。大部分情况下 CPU 执行的指令平铺直叙的,就像这样:

这些都是告诉 CPU 完成某个特定动作,你给这些平铺直叙的指令起了个名字,姑且就叫陈述句吧,statement。
除此之外,你还发现了这样的套路,那就是需要根据某种特定状态决定走哪段指令,这个套路在人看来就是“如果。。。就。。。否则。。就。。。”:
if ***
blablabla
else ***
在某些情况下还需要不断重复一些指令,这个套路看起来就是原地打转:
while ***
最后就是这里有很多看起来差不多的指令,就像这里:

这些指令是重复的,只是个别细节有所差异,把这些差异提取出来,剩下的指令打包到一起,用一个代号来指定这些指令就好了,这要有个名字,就叫函数吧:
func abc:
现在你发现了所有套路:
// 条件转移
// 循环
// 函数
这些相比汇编语言已经有了质的飞跃,因为这已经和人类的语言非常接近了 。接下来你发现自己面临两个问题:
- 这里的blablabla该是什么呢?
- 该怎样把上面的人类可以认识的字符串转换为 CPU 可以认识的机器指令
盗梦空间
你想起来了,上文说过大部分代码都是平铺直叙的陈述句,statement,这里的blablabla 仅仅就是一堆陈述句吗?显然不是,blablabla 可以是陈述句,当然也可以是条件转移if else,也可以是循环while,也可以是调用函数,这样才合理。虽然这样合理,很快你就发现了另一个严重的问题:blabalbla中可以包含 if else 等语句,而if else等语句中又可以包含blablabla,blablabla中反过来又双可能会包含if else等语句,if else等语句又双叒有可能会包含blablabla,blablabla又双叒叕可能会包含if else等语句。。。

就像盗梦空间一样,一层梦中还有一层梦,梦中之梦,梦中之梦中之梦。。。一层嵌套一层,子子孙孙无穷匮也。。。

此时你已经明显感觉脑细胞不够用了,这也太复杂了吧,绝望开始吞噬你,上帝以及老天爷啊,谁来救救我!
此时你的高中老师过来拍了拍你的肩膀,递给了你一本高中数学课本,你恼羞成怒,给我这破玩意干什么,我现在想的问题这么高深,岂是一本破高中数学能解决的了的,抓过来一把扔在了地上。此时一阵妖风吹过,教材停留在了这样一页,上面有这样一个数列表达:
f(x) = f(x-1) + f(x-2)
这个递归公式在表达什么呢?f(x)的值依赖f(x-1),f(x-1)的值又依赖f(x-2),f(x-2)的值又依赖。。。

一层嵌套一层,梦中之梦,if中嵌套 statement,statement 又可以嵌套if。。。
等一下,这不就是递归嘛,上面看似无穷无尽的嵌套也可以用递归表达啊 !你的数学老师仰天大笑,too young too simple,留下羞愧的你佛手而去,看似高科技的东西竟然用高中数学就解决了,一时震惊的目瞪狗带不知所措无地自容。有了递归这个概念加持,聪明的智商又开始占领高地了。
递归:代码的本质
不就是嵌套嘛,一层套一层嘛,递归天生就是来表达这玩意的 (提示:这里的表达并不完备,真实的编程语言不会这么简单,这里仅仅用作示例):
if : if bool statement else statements
for: while bool statements
statement: if | for | statement
上面一层嵌套一层的盗梦空间原来可以这么简洁的几句表达出来啊,你给这几句表达起了高端的名字,语法 。数学,就是可以让一切都变得这么优雅 。世界上所有的代码,不管有多么复杂最终都可以归结到语法上,原因也很简单,所有的代码都是按照语法的形式写出来的嘛。至此,你发明了真正的人类可以认识的编程语言。之前提到的第一个问题解决了,但仅仅有语言还是不够的。
让计算机理解递归
现在还差一个问题,怎样才能把这语言最终转化为 CPU 可以认识的机器指令呢?人类可以按照语法写出代码,这些代码其实就是一串字符,怎么让计算机也能认识用递归语法表达的一串字符呢?这是一项事关人类命运的事情,你不禁感到责任重大,但这最后一步又看似困难重重,你不禁仰天长叹,计算机可太难了。此时你的初中老师过来拍了拍你的肩膀,递给了你一本初中植物学课本,你恼羞成怒,给我这破玩意干什么,我现在想的问题这么高深,岂是一本破初中教科书能解决的了的,抓过来一把扔在了地上。此时又一阵妖风挂过,书被翻到了介绍树的一章,你望着这一页不禁发起呆来:

树干下面是树枝,树枝下是树叶,树枝下也可以是树枝,树枝下还可以是树枝、吃葡萄不吐葡萄皮,不吃葡萄倒吐葡萄皮,哎?这句不对,回到上面这句,树干生树枝,树枝还可以生树枝,一层套一层、梦中之梦、子子孙孙无穷匮、高中数学老师,等一下,这也是递归啊!!!我们可以把根据递归语法写出来的的代码用树来表示啊 !

你的初中老师仰天大笑,图样图森破,看似高科技的东西竟然靠初中知识就解决了。
优秀的翻译官
计算机处理编程语言时可以按照递归定义把代码用树的形式组织起来,由于这棵树是按照语法生成的,姑且就叫语法树 吧。现在代码被表示成了树的形式,你仔细观察后发现,其实叶子节点的表达是非常简单的,可以很简单的翻译成对应的机器指令,只要叶子节点翻译成了机器指令,你就可以把此结果应用到叶子节点的父节点,父节点又可以把翻译结果引用到父节点的父节点,一层层向上传递,最终整颗树都可以翻译成具体的机器指令 。

完成这个工作的程序也要有个名字,根据“弄不懂原则”(该原则的解释见下文 😃
看完这篇还不懂高并发中的线程与线程池你来打我(内含20张图)
,你给这个类似翻译的程序起了个不怎么响亮的名字,编译器,compiler。
现在你还觉得二叉树之类的数据结构没啥用吗 ?对了,说到二叉树, 在这样也推荐一份牛逼的算法刷题资料,想进BAT、TMD、快手这样的一线大厂算法绝不可忽视,认认真真过上一遍这份资料,这些大厂算法面试一关大部分题目都不在话下 :
Github疯传!阿里P8大佬写的Leetcode刷题笔记,秒杀80%的算法题!
至此,你完成了一项了不起的发明创造,程序员可以用人类认识的东西来写代码,你编写的一个叫做编译器的程序负责将其翻译成 CPU 可以认识的机器指令。后人根据你的思想构建出了C/C++、以及后续的Java、Python,这些语言现在还有一帮人在用呢。
总结
本文我们从最基本的晶体管一路讲解到CPU的工作原理,再从最低级的二进制机器指令到高级语言,相信如果你能读到这里定能有所收获。
最后,有同学问有没有书单,我也仔细回想自己认真读过的计算机数据,在这里也给出自认为很经典的几本,书单这东西贵精不贵多 ,我在这里精心挑选了10本 ,不要贪心,如果你真能把这里推荐的 10 本书读通,可以说你已经能超越 90% 的程序员了。
最后的最后,有很多知乎朋友问有没有pdf版本,我也整理出来了,绘图非常精美,这里还汇总了部分知乎问题,总计14万字,我为其专门设计了封面,并将其命名为《计算机底层的秘密》,现在免费分享给大家。


可以使用这个下载链接 :点击下载《计算机底层的秘密》 PDF
如果你觉得本文有所帮助,给点个赞呗! @码农的荒岛求生
作者:码农的荒岛求生
Github: https://github.com/xfenglu/everycodershouldknow
原文:你管这破玩意叫CPU?
推荐:
评论区
风月: 越是能力高的人,越是能够把复杂的东西,用最简单平实的语言描述出来。[惊喜] 👍🏽413 💭N/A IP 🕐2021-05-02 10:11:57
│ └── 码农的荒岛求生: [耶] 👍🏽38 💭N/A IP 🕐2021-05-02 13:31:08
│ │ └── 成为一个有趣人: 大佬公众号,推荐书籍的链接失效了,可以重发一个吗[赞同] 👍🏽0 💭N/A IP 🕐2021-05-06 18:37:28
│ │ └── 码农的荒岛求生: 已重发 👍🏽1 💭N/A IP 🕐2021-05-07 20:50:02
│ └── Comet: 这叫厚积薄发,也可以说这是对知识的继承、发展和传播。对这种深入浅出的科普文章必须赞一个[赞]这就是科技界的百家讲坛啊![赞同] 👍🏽74 💭N/A IP 🕐2021-05-10 16:49:55
威哥: 是我看到对计算机和编译原理科普得最好的一篇 👍🏽240 💭N/A IP 🕐2021-05-02 07:27:32
│ └── 码农的荒岛求生: [耶] 👍🏽23 💭N/A IP 🕐2021-05-02 08:13:09
│ │ └── 知乎用户5F7k1x: 这个好这个好! 👍🏽11 💭N/A IP 🕐2021-05-02 10:35:22
│ │ └── 郭言: 刚看了个开头,先mark一下。第一时间想到的,冯诺依曼!三体里的三体人计算机,一人拿俩小旗子相当于晶体管![惊喜] 👍🏽0 💭N/A IP 🕐2021-05-06 09:04:39
│ │ └── 郭言: 刚看了个开头,先mark一下。第一时间想到的,冯诺依曼!三体里的三体人计算机,一人拿俩小旗子相当于晶体管![惊喜] 👍🏽0 💭N/A IP 🕐2021-05-06 09:05:04
│ │ └── 郭言: 刚看了个开头,先mark一下。第一时间想到的,冯诺依曼!三体里的三体人计算机,一人拿俩小旗子相当于晶体管![惊喜] 👍🏽0 💭N/A IP 🕐2021-05-06 09:05:12
│ └── 理想: 同上[赞同] 👍🏽0 💭N/A IP 🕐2021-05-09 12:59:12
│ └── 师医公永远的神: 这是数电和模电吧[好奇] 👍🏽0 💭N/A IP 🕐2021-12-25 10:03:16
│ └── 哈哈哈: llll? 👍🏽0 💭N/A IP 🕐2022-04-08 10:54:04
│ └── 哈哈哈: llll? 👍🏽0 💭N/A IP 🕐2022-04-08 10:54:05
│ └── 哈哈哈: llll? 👍🏽0 💭N/A IP 🕐2022-04-08 10:54:06
Doctor: [赞同]这竟然是我可以免费看的 👍🏽194 💭N/A IP 🕐2021-05-02 14:12:36
│ └── 阳光微蓝: 3 👍🏽1 💭N/A IP 🕐2021-05-18 18:01:24
│ └── 喵师傅: 作者:懂了,明天上资乎盐选 👍🏽33 💭N/A IP 🕐2021-07-06 16:14:06
│ │ └── 子鱼: 谢谢你,这么好的科普文 👍🏽0 💭N/A IP 🕐2021-09-01 10:15:53
│ └── 面具与皈依: 这条回复快删掉! 👍🏽14 💭N/A IP 🕐2021-08-04 20:00:09
│ └── 俊红desuwa: 看得出来已经表达得很简单了,但我还是不知道在哪里就跟不上了[尴尬] 👍🏽1 💭N/A IP 🕐2022-04-02 01:21:31
│ └── 啊帅: 有点似懂非懂,如果能了解一段数据从输出到输入的全过程,应该能更懂一点 👍🏽0 💭N/A IP 🕐2022-04-23 23:34:44
白冰: 感觉回到了老版的知乎,都是干货没有机灵 👍🏽152 💭N/A IP 🕐2021-05-04 22:34:43
William James: 同学们,首先我们来看一下,这个是三极管,然后我们可以用三极管构建出门电路,比如这个是与门,这个是非门,这个是或门;然后通过与非或门我们可以构建出加法器,你看,这样就可以进行加法计算了!是不是很简单!今天的课程就到这里,这是课后作业:使用与非或门构建一个酷睿CPU吧! 👍🏽105 💭N/A IP 🕐2021-05-03 16:12:27
│ └── 家主: 要求:酷睿i9-9999K 👍🏽22 💭N/A IP 🕐2021-05-04 14:06:23
│ │ └── 飞行的垂耳兔: 拓展题:请基于你制作出的CPU开发出对应操作系统,要求实现以下功能[捂脸][捂脸][捂脸][捂脸] 👍🏽3 💭N/A IP 🕐2021-12-07 09:15:04
│ │ └── 家主: copy window11 搞定 👍🏽0 💭N/A IP 🕐2021-12-07 09:59:48
│ └── 云天明: 暑假作业:做出来! 👍🏽1 💭N/A IP 🕐2021-05-08 12:25:00
│ └── 牛奶: 哈哈哈 👍🏽1 💭N/A IP 🕐2021-05-11 09:39:50
│ └── 周意: 应该从PN结开始 👍🏽0 💭N/A IP 🕐2021-05-29 09:29:08
│ └── 小小怪先森: 牙膏厂:危,机密文件泄露 👍🏽0 💭N/A IP 🕐2021-06-06 00:18:19
│ └── 甜橙先生: 真.大学生[捂脸] 👍🏽1 💭N/A IP 🕐2021-06-06 00:33:57
│ └── Shone Shi: 开学。老师:题目出错了!高斯:老师,我做出来了… 👍🏽33 💭N/A IP 🕐2021-07-19 09:01:36
│ └── Shawn: 三体人:就这? 👍🏽0 💭N/A IP 🕐2023-12-02 00:01:53
刘达: 写的真好,简单易懂,牛批 👍🏽59 💭N/A IP 🕐2021-05-02 09:01:41
│ └── 码农的荒岛求生: [耶] 👍🏽10 💭N/A IP 🕐2021-05-02 09:08:05
最后的战役: 写的太好了,通俗易懂,知乎就需要这样的内容😄 👍🏽50 💭N/A IP 🕐2021-05-02 13:40:54
│ └── 码农的荒岛求生: 没错,这条回复会不会被删[捂脸] 👍🏽7 💭N/A IP 🕐2021-05-02 13:48:54
│ │ └── 最后的战役: 凭什么被删!好不容易有了知乎几年前那种氛围 👍🏽7 💭N/A IP 🕐2021-05-02 13:50:04
│ └── 貔貅: 你头像上的头发害我划了好久[捂脸] 👍🏽1 💭N/A IP 🕐2021-09-13 13:30:02
│ └── better: [赞同] 👍🏽0 💭N/A IP 🕐2021-11-01 15:48:46
猫与果壳与狗: 要是早点看到该多好[发呆] 👍🏽44 💭N/A IP 🕐2021-05-02 04:26:02
│ └── 码农的荒岛求生: 现在看到也不算晚[机智] 👍🏽3 💭N/A IP 🕐2021-05-02 07:23:30
│ └── 飞行的垂耳兔: 既然已经看完了,请利用几十亿个晶体管制作出12代I9CPU 👍🏽5 💭N/A IP 🕐2021-12-07 09:16:07
zjmlsg: 很喜欢这种从基础开始一步一步上升的科普 👍🏽41 💭N/A IP 🕐2021-05-02 08:20:23
│ └── 码农的荒岛求生: 我也是,所以才会这样写[大笑] 👍🏽19 💭N/A IP 🕐2021-05-02 08:21:36
人生皆苦 苦中作: 了不起,感觉让人望而生畏的东西就被你这么轻松解密了 👍🏽37 💭N/A IP 🕐2021-05-03 03:37:39
│ └── 码农的荒岛求生: [耶] 👍🏽2 💭N/A IP 🕐2021-05-03 12:58:10
脑海中的橡皮擦: 写的是真透彻,给作者一个大写的赞[赞同] 👍🏽37 💭N/A IP 🕐2021-05-02 09:04:21
│ └── 码农的荒岛求生: 哈哈,非常感谢这大写赞[耶] 👍🏽2 💭N/A IP 🕐2021-05-02 09:07:50
北辰: 牛逼了,会写公众号的程序员! 👍🏽27 💭N/A IP 🕐2021-05-03 21:37:20
福尔喵喵: 好文章啊,不上日报天理难容 👍🏽32 💭N/A IP 🕐2021-05-02 13:28:00
│ └── 码农的荒岛求生: 有眼光[机智] 👍🏽1 💭N/A IP 🕐2021-05-02 13:30:15
aganestory: 写得好,这就是知乎应该的样子[赞] 👍🏽31 💭N/A IP 🕐2021-05-05 08:21:57
向往美: 读之让人如醉如痴的好文! 👍🏽29 💭N/A IP 🕐2021-05-04 17:56:56
│ └── 码农的荒岛求生: [害羞] 👍🏽1 💭N/A IP 🕐2021-05-04 21:45:20
kototo: 牛逼。反正讲的比我大学老师好多了,他还是是个博士,真没有这么生动易懂,哈哈哈 👍🏽27 💭N/A IP 🕐2021-05-06 18:53:56
│ └── 码农的荒岛求生: [酷] 👍🏽1 💭N/A IP 🕐2021-05-07 20:48:43
│ └── 刘理哲: 正规教育讲求的是正规,好不好学懂其次! 👍🏽0 💭N/A IP 🕐2021-12-23 12:48:53
你可拉倒吧: 晶体管配图错了,给成三极管了,然而现代集成电路的最底层的逻辑单元应该是场效应晶体管,三极管几乎不用。这两种管子是不一样的 👍🏽25 💭N/A IP 🕐2021-05-02 11:07:13
│ └── 码农的荒岛求生: 专业[赞] 👍🏽5 💭N/A IP 🕐2021-05-02 13:31:49
│ └── 杜华之家: 就mos 👍🏽0 💭N/A IP 🕐2021-05-02 19:48:38
│ └── 夜雨: 为什么百度百科上说:“晶体管,本名是半导体三极管……” 👍🏽0 💭N/A IP 🕐2021-05-06 19:32:33
│ └── 有点很帅的嘉华: 场效应管也是三极管,不过跟半导体三极管不一样 👍🏽2 💭N/A IP 🕐2021-05-07 11:50:27
│ └── 陈潜龙: 功能是一样的,都是用小信号控制大信号 👍🏽0 💭N/A IP 🕐2021-05-08 15:54:58
│ └── 塔拉夏: MOS也有很多这种TO92封装的 👍🏽0 💭N/A IP 🕐2021-05-10 18:04:10
│ └── yuchen wang: 三极管也没错。。。要想拍一个场效应管的照片就太难了。。。 👍🏽0 💭N/A IP 🕐2021-06-02 18:14:59
│ └── 浪遏飞舟: 原理没变,门以下的有没有科普,完全没问题 👍🏽0 💭N/A IP 🕐2021-08-02 13:47:54
烤土豆不加盐: sr存储器讲的是我见过的教程里讲最清楚的[惊喜] 👍🏽23 💭N/A IP 🕐2021-05-02 07:53:26
│ └── 码农的荒岛求生: [耶] 👍🏽0 💭N/A IP 🕐2021-05-02 08:13:30
│ └── 22586: 没看懂,SR通电两与门输出没电流啊? 👍🏽0 💭N/A IP 🕐2021-08-22 22:13:08
不是一只猫: 现在好难得看到如此高质量的知乎回答,支持作者[赞同][赞同][赞同] 👍🏽18 💭N/A IP 🕐2021-05-05 08:12:42
│ └── 码农的荒岛求生: 哈哈,好高的评价,开心[耶] 👍🏽1 💭N/A IP 🕐2021-05-05 19:35:11
十分: 一脸懵逼的进来一脸懵逼的出去 👍🏽10 💭N/A IP 🕐2021-05-02 21:23:17
│ └── 码农的荒岛求生: [捂脸] 👍🏽0 💭N/A IP 🕐2021-05-04 21:39:33
一个hao人: 很妙,看的欲罢不能 👍🏽9 💭N/A IP 🕐2021-05-04 09:39:53
│ └── 码农的荒岛求生: [酷] 👍🏽0 💭N/A IP 🕐2021-05-29 08:59:14
断水: 好家伙,我还学什么微机原理,看篇文章就懂了[思考] 👍🏽5 💭N/A IP 🕐2021-05-10 10:07:57
│ └── 码农的荒岛求生: [耶] 👍🏽0 💭N/A IP 🕐2021-05-29 08:58:53
六星巴西: 存数那里没看明白。既然要通过输入0和1来使后端输出存为0和1,为什么不直接连根线,而言通过门电路设计过去? 👍🏽7 💭N/A IP 🕐2021-05-05 09:28:30
│ └── 小怪兽: 同样有这个疑问 👍🏽0 💭N/A IP 🕐2021-05-06 16:54:38
│ └── TU湥: 因为寄存器的输入值在运算过程中可能会不断变化,但我们希望寄存器的输出值保持不变;而写使能的开关是由时钟驱动的,因此我们可以通过控制写使能,使得寄存器只保存我们想要的某个时刻的输入值 👍🏽12 💭N/A IP 🕐2021-05-07 08:12:14
│ └── 苍月映雪: 个人理解,不一定对:举个简单的例子,你要计算1+1+1,那先计算1+1,这个结果放在寄存器里,然后再取出这个结果来计算2+1,用同一个运算单元就可以完成。如果没有寄存器,那就先用一个运算单元计算1+1,结果直接输入到另一个运算单元,然后计算2+1,这样要用2个运算单元才能完成。实际运算中,这种对历史结果的调用可能不止一次,那就要一直占用这么个运算单元来保留结果,结果它丧失了本应承担的运算功能,CPU效率降低。 👍🏽2 💭N/A IP 🕐2021-05-07 10:13:29
│ │ └── 忆浓: 层主的问题是,寄存器如何实现了“存储”功能,因为就描述的结果看,你输入端一变,输出端也跟着变了,这也没“存”啊,和一根导线有什么区别? 👍🏽2 💭N/A IP 🕐2021-05-07 16:58:09
│ │ └── Shimmer: 本文对数字电路的知识解释得非常粗浅,要回答这个问题,需要从时钟的概念来考虑。文中的寄存器实际上还需要一个时钟信号来控制,打个比方,我们可能是在时钟信号从0上升到1的时候,才会修改存储的内容(输出的值),而不是输入怎么变,输出跟着怎么变。 👍🏽6 💭N/A IP 🕐2021-05-07 17:43:29
│ │ │ └── 雨夏松寒: 意思是每一次对电路进行变化的时候进行一次相对应的改变,这就算储存下来这个信息了吗? 👍🏽0 💭N/A IP 🕐2021-06-27 03:20:32
│ │ │ └── 又一顾城: 每一个时钟信号进行计算的时候,是用上一个时钟信号的输出和此次的输入来进行计算的,就有了存储的作用 👍🏽2 💭N/A IP 🕐2021-09-12 16:54:27
│ │ └── Shimmer: 作者在存储部分没有解释时钟的概念,所以会有这个疑惑。实际上需要添加一些电路,引入时钟信号,文中的电路才能起到存储的效果。 👍🏽2 💭N/A IP 🕐2021-05-07 17:46:17
│ └── 忆浓: 同样有这个问题 👍🏽1 💭N/A IP 🕐2021-05-07 16:57:00
│ └── 荆轲刺秦王: 也有这个问题,补充一下,WE就是上面几位提到的开关,为1时,输入可以改变输出,0时,输入改变不会影响输出 👍🏽4 💭N/A IP 🕐2021-05-09 16:48:18
│ └── 伦敦有雾雨: 具体搜索锁存器触发器看一看 👍🏽0 💭N/A IP 🕐2021-08-13 21:50:35
大花猫吃果果: 中国那帮老家伙就特么喜欢把简单的东西弄得神叨叨的,不然显不得他们牛逼,可悲的教材大多是这些老家伙编写的,后来接触到英文的一些材料,磕磕碰碰居然豁然开朗,终于看到这篇,发现老学究终于要被终结了,娃们有福了[捂脸] 👍🏽5 💭N/A IP 🕐2021-06-13 13:53:55
│ └── 码农的荒岛求生: [捂脸] 国外的教材的确没有那么严肃 👍🏽0 💭N/A IP 🕐2021-06-16 08:46:42
│ └── 又一顾城: 国内教材太严肃,也太教条化了,倒不是神叨叨。就sr锁存器那点,最开始死活弄不懂,答主这里是由存储器延伸过来的,一下子就懂了 👍🏽1 💭N/A IP 🕐2021-09-12 16:40:05
丁当: 写得真好,简单易懂,完全搞懂了什么是与门,什么是非门,什么是或门。所以我是从异或门出现那里开始看不懂的…… 👍🏽4 💭N/A IP 🕐2021-05-21 19:46:39
│ └── 码农的荒岛求生: [捂脸] 👍🏽0 💭N/A IP 🕐2021-05-21 20:09:02
傻小子: 其实制造的时候基本的门单元是,与非,或非,非,然后这三者构成逻辑完备性 👍🏽3 💭N/A IP 🕐2021-05-15 16:55:04
│ └── 码农的荒岛求生: [赞] 👍🏽1 💭N/A IP 🕐2021-05-17 19:55:34
打脸专业户: 我特么一个在工地搬砖的竟然看的津津有味,膜拜大佬 👍🏽2 💭N/A IP 🕐2021-05-07 10:02:29
Lucia: 现在我只想说我学数字电路学了个几把 👍🏽1 💭N/A IP 🕐2021-11-15 22:55:33
琉球酋长: 纯小白,别的地方都好理解,就是关于软件和硬件的关系,类比成厨师和菜谱,感觉这个跨度有点大,中间的逻辑是断裂的。软件的本质就是算法嘛,如果是厨师和菜谱的关系,那硬件怎么去理解这个算法并执行呢?软件是怎么让这些基础性的计算逻辑组合起来实现自身的目的呢? 👍🏽1 💭N/A IP 🕐2023-02-09 15:58:04
open-node: 这才是我来知乎的理由。 👍🏽1 💭N/A IP 🕐2024-03-14 11:09:10
张铁锁: 看完了,讲的很完善。等等,刚才我看了哈??? 👍🏽5 💭N/A IP 🕐2021-05-06 11:05:03
│ └── 张铁锁: 啥 👍🏽0 💭N/A IP 🕐2021-05-06 11:05:13
月亮与六便士: CPU不仅仅基于晶体管,至少现在有一定规模的芯片很多都不用晶体管,也就是TTL,而是基于CMOS,金属半导体接触,而不是pn结,他们控制有很大区别,但是组合逻辑是一样,当然不影响后面的原理,也讲得很好。 👍🏽3 💭N/A IP 🕐2021-05-30 18:33:52
Butcher张: 看了看评论 你们都好厉害 对于我来说 每个字都认识 放在一起 就看不懂了[捂脸] 👍🏽3 💭N/A IP 🕐2021-05-07 19:19:04
资深夜猫子: 我竟认真读完了[捂脸] 👍🏽3 💭N/A IP 🕐2021-05-03 08:24:06
郝斯基: 竟然从头看到尾,竟然不觉得枯燥[耶] 👍🏽2 💭N/A IP 🕐2021-05-25 20:27:58
楼上: 把机器指令映射为人类能看懂的单词,这个能展开细讲怎么实现的吗? 👍🏽2 💭N/A IP 🕐2021-05-24 11:00:11
│ └── 隔壁老王: 这个不难理解吧。比如咱俩约定下1=你,2=好。之后我说12=你好,这样就实现了机器指令映射人类能看懂的单词。 👍🏽0 💭N/A IP 🕐2021-09-14 16:49:45
│ └── zpd1976: 编译器的作用就是干这个的 👍🏽0 💭N/A IP 🕐2025-04-15 06:54:24
猛踢瘸子好腿: cpu: 我可以唱 跳 rap 篮球 👍🏽1 💭N/A IP 🕐2021-11-18 08:58:44
董之韦: 虽然我看的一知半解,但我仍然要给作者高呼一声,牛逼! 👍🏽1 💭N/A IP 🕐2021-10-11 15:11:53
│ └── 码农的荒岛求生: 哈哈[机智] 👍🏽0 💭N/A IP 🕐2021-10-12 19:45:43
Michauxs: 晶体管怎么组合能表示 与、或、非? 👍🏽1 💭N/A IP 🕐2021-08-24 14:59:23
│ └── Gentlerx: 与或非是逻辑,三极管在数电中工作于开关状态。可以用高电平代表逻辑1,低电平代表逻辑0。举个最简单的例子,1&1=1,在实际电路中就是把两个三极管的基极(BJT)或者栅极(FET)作为输入端,两个输入端输入高电平导通,输出端直接接电源,即输出高电平;其他输入情况下输出端直接接地,输出低电平。有误请指正[蹲] 👍🏽0 💭N/A IP 🕐2021-09-16 16:32:56
某斯盖: 到1/3就跟不上了[捂脸] 👍🏽1 💭N/A IP 🕐2021-06-14 19:43:21
你二大爷: 可以写出这种文章得前提一定是透彻的理解原理。希望以后我也可以有这种能力去分享我学到的知识[赞] 👍🏽1 💭N/A IP 🕐2021-05-24 04:48:41
│ └── 码农的荒岛求生: 加油加油[赞] 👍🏽0 💭N/A IP 🕐2021-05-29 09:02:51
wolfzq: 通俗易懂,很难得的科普文章,对于刚接触的初学者很友好。[赞][赞][赞] 👍🏽1 💭N/A IP 🕐2021-05-22 08:40:48
│ └── 码农的荒岛求生: [耶] 👍🏽0 💭N/A IP 🕐2021-05-29 09:02:58
谈笑间: 当年教材都没看懂,居然通过这篇文章完全看懂了[捂脸] 👍🏽1 💭N/A IP 🕐2021-05-20 01:27:42
│ └── 码农的荒岛求生: 哈哈[耶] 👍🏽0 💭N/A IP 🕐2021-05-21 20:12:20
年幼无知: 看了那么多文章,只喜欢你这篇 👍🏽1 💭N/A IP 🕐2021-05-13 11:54:29
│ └── 码农的荒岛求生: [耶] 哈哈,非常感谢对博主的支持! 👍🏽1 💭N/A IP 🕐2021-05-17 19:57:56
忆浓: 同样NAND寄存器那里没看明白,如果寄存器的目的是最后做出一个“D输入1,a就输出1;D输入0,a就输出0”的元件,那这个元件和直接把D当作a输出的区别是什么??这和一根导线的区别是什么??跪求解答[思考] 👍🏽1 💭N/A IP 🕐2021-05-07 17:03:51
│ └── 三十八度de雪: 本文对数字电路的知识解释得非常粗浅,要回答这个问题,需要从时钟的概念来考虑。文中的寄存器实际上还需要一个时钟信号来控制,打个比方,我们可能是在时钟信号从0上升到1的时候,才会修改存储的内容(输出的值),而不是输入怎么变,输出跟着怎么变。(我拷贝楼上大佬的回答的) 👍🏽3 💭N/A IP 🕐2021-05-09 11:52:25
lig118: 果然效果好[思考] 浅显易懂 👍🏽1 💭N/A IP 🕐2021-05-03 07:57:07
垂直领域选错了: 大佬 👍🏽0 💭N/A IP 🕐2025-05-02 09:03:29
硅基筑梦师: 很通俗易懂![赞同][赞同] 👍🏽0 💭N/A IP 🕐2025-04-24 21:29:47
书书福福悦读: [大笑] 👍🏽0 💭N/A IP 🕐2025-04-13 13:08:00
二戰精英: 托福,又重溫了一遍[捂脸]記得當年我們考試得手繪與非和門電路呢[捂脸] 👍🏽0 💭N/A IP 🕐2025-02-25 15:11:29
林树学长: [赞同] 👍🏽0 💭N/A IP 🕐2025-02-25 11:12:21
文送: 就是数电啊 👍🏽0 💭N/A IP 🕐2025-02-24 00:18:10
李煜坤: 从零教你计算机[大笑]太好了 👍🏽0 💭N/A IP 🕐2025-02-14 22:10:41
咫尺天涯3月风: [蹲] 👍🏽0 💭N/A IP 🕐2025-02-13 13:45:08
空空如也: 就是递归 👍🏽0 💭N/A IP 🕐2025-02-10 11:41:00
西风: WE是什么意思 👍🏽0 💭N/A IP 🕐2024-12-24 23:01:54
tzhfzmq: 只有自己彻底通晓到成为自己的一部分,才能深入浅出无比透彻表达出来———这就是我的老师为什么没教会我[捂脸] 👍🏽0 💭N/A IP 🕐2024-10-15 17:12:19
无限神通1296: 我用时空元代码0与1创造了众生万物[思考][思考] 👍🏽0 💭N/A IP 🕐2024-09-28 14:40:11
茶啊二中张岩: 不赞对不起自己的良心[捂嘴] 👍🏽0 💭N/A IP 🕐2024-06-14 09:57:53
不知道: 我还想了想,这个对应的操作(就是从0和1变为我们人类自己的语言)应该如何实现,结合实际,我联想到了超小型的灯管,比如说a,可以由很多小管子亮或不亮决定,以此然后可以表示出24个字母。 👍🏽0 💭N/A IP 🕐2024-06-13 07:00:13
│ └── 不知道: 这个对应应该还可以通过电磁继电器之类的来运行物理操作 👍🏽0 💭N/A IP 🕐2024-06-13 07:03:42
陈炫宇: 天才 👍🏽0 💭N/A IP 🕐2024-06-05 21:09:36
梧桐道旁: 太牛逼了,讲的非常清楚,感谢作者的付出 👍🏽0 💭N/A IP 🕐2024-05-24 21:40:25
主动做牛马: 美国佬:你把劳资上百年的研究成果一咕噜全抖出来了? 👍🏽0 💭N/A IP 🕐2024-05-12 00:54:17
aczhs: 读罢此篇文章,感觉睡了一觉,一个白胡子老头的在梦里打通我的任督二脉[拜托] 👍🏽0 💭N/A IP 🕐2024-04-14 20:24:06
知乎用户己: 看起来好像懂,有好像啥都不懂。这玩意数学不行,英语不行就没有编程的天赋了吗? 👍🏽0 💭N/A IP 🕐2024-04-01 14:42:01
临渊: 受教了,谢谢老师[神作] 👍🏽0 💭N/A IP 🕐2024-03-21 08:01:11
kanglong: 简洁一点更好了,干货就行,不要考虑有趣,写一些没用的调情的 👍🏽0 💭N/A IP 🕐2024-02-11 22:57:39
00014: 知乎遗风 👍🏽0 💭N/A IP 🕐2023-12-22 12:26:53
孙老师聊人工智能: https://zhuanlan.zhihu.com/p/671973058?utm_psn=1720218774459027456大家看看这篇文章,如何从晶体管开关打造一颗cpu! 👍🏽0 💭N/A IP 🕐2023-12-18 23:10:27
loremaster: 这个得收藏起来 👍🏽0 💭N/A IP 🕐2023-12-05 14:17:47
巴山之蛇: 很像试试自己做一台图灵机。 👍🏽0 💭N/A IP 🕐2023-11-24 17:40:41
STARK11号: [赞] 👍🏽0 💭N/A IP 🕐2023-11-24 11:23:51
闻君: 通俗易懂 言简意赅 已拜读 感谢分享 👍🏽0 💭N/A IP 🕐2023-11-01 14:49:16
阿文: 听起来好像很简单,可没人带着讲着还是不理解。。我这脑子啊 👍🏽0 💭N/A IP 🕐2023-07-13 22:42:31
兰凯: 厉害,我零基础都快看懂了 👍🏽0 💭N/A IP 🕐2023-06-12 14:32:59
阿西: 好详细[赞同][赞同][赞同][赞同][赞同][赞同][赞同] 👍🏽0 💭N/A IP 🕐2023-05-31 08:36:33
大叔吧: 当真是厉害 👍🏽0 💭N/A IP 🕐2023-03-24 23:13:34
此木而已: 看到感觉最好的一篇 👍🏽0 💭N/A IP 🕐2023-03-14 17:55:05
刘瑞: 那为什么是三个针脚呢 👍🏽0 💭N/A IP 🕐2023-03-12 22:45:04
神经蛙没头脑: 赞 👍🏽0 💭N/A IP 🕐2023-02-05 11:22:09
阿蔡: 你太伟大了,我对这些知识一直疑惑,你尽然用直白的语言描述的清清楚楚。[赞][赞][赞] 👍🏽0 💭N/A IP 🕐2023-02-01 08:18:41
凌竹: 里面没讲存储器原理啊 👍🏽0 💭N/A IP 🕐2023-01-31 14:20:15
赵雅君: 求问什么教材对microcode有比较好的描述?老的书也成。 👍🏽0 💭N/A IP 🕐2023-01-04 02:58:57
章笑铭: 对于加法器和存储器,推荐看《编码:隐匿在计算机软硬件背后的语言》 👍🏽0 💭N/A IP 🕐2022-12-23 08:37:42
yekun: 异或门是由基本逻辑运算符组成的??? 👍🏽0 💭N/A IP 🕐2022-12-01 16:02:10
唐宋: 虽然我知道写得很好,但我还是没有看懂[发呆][发呆] 👍🏽0 💭N/A IP 🕐2022-11-02 22:14:33
胡作非为: 好吧,我承认我没看懂😅 👍🏽0 💭N/A IP 🕐2022-11-01 01:03:11
陈健桥: 讲的太好了,比大学的老师强多了[赞同][赞同][赞同]。 👍🏽0 💭N/A IP 🕐2022-10-31 19:54:27
pcwoker: 牛逼炸了,虽然还是没看懂,但比看小说精彩多了。[爱] 👍🏽0 💭N/A IP 🕐2021-11-29 21:46:30
人生若只如初见: 我还是看不懂[惊喜] 👍🏽0 💭N/A IP 🕐2021-11-26 22:50:49
刹那永恒: 写的真的好,我建议你出本书吧[赞同] 👍🏽0 💭N/A IP 🕐2021-11-27 01:38:43
巩洋浩: 我等愚民只能叹服一声:牛! 👍🏽0 💭N/A IP 🕐2021-11-26 11:41:22
Ottsan: 加法器没看懂。。。 👍🏽0 💭N/A IP 🕐2021-11-25 15:50:22
will: 爆赞 👍🏽0 💭N/A IP 🕐2021-11-25 20:29:49
123456789: 数字设计与计算机体系结构 👍🏽0 💭N/A IP 🕐2021-11-24 13:47:27
甜甜的红太阳: 我以后写简历的时候可以在全日制毕业院校那一栏写:毕业于知乎,或杨振宁网传弟子[害羞][害羞][害羞][害羞][害羞][害羞][害羞][害羞][害羞][害羞] 👍🏽0 💭N/A IP 🕐2021-11-24 00:02:43
唐唐糖糖甜: 我猜你看过编码这本书[思考] 👍🏽0 💭N/A IP 🕐2021-11-22 20:41:50
时间卡: 文章的表述可以说是举重若轻 👍🏽0 💭N/A IP 🕐2021-11-23 06:51:32
│ └── 码农的荒岛求生: [酷] 👍🏽0 💭N/A IP 🕐2021-11-23 16:44:06
trader007: 原理不就是三极管放大器么 👍🏽0 💭N/A IP 🕐2021-11-22 17:40:43
黎得志 YYY: 写得非常好 我竟然看懂了 我一直搞不懂一台电脑为什么可以处理这么多软件 现在算是明白了 也明白了硬件与软件的区别 👍🏽0 💭N/A IP 🕐2021-11-21 14:00:42
书院书生: 我的数电都还给老师了[飙泪笑] 👍🏽0 💭N/A IP 🕐2021-11-19 20:52:46
读书识字: 厉害啊!讲的透![赞同] 👍🏽0 💭N/A IP 🕐2021-11-17 23:38:38
│ └── 码农的荒岛求生: [酷] 👍🏽0 💭N/A IP 🕐2021-11-18 13:05:37
jie: 作者太厉害, 👍🏽0 💭N/A IP 🕐2021-11-16 15:52:01
wing: 讲的太好了 👍🏽0 💭N/A IP 🕐2021-11-16 09:22:30
捻旧: 虽然我不学编程,但是看着还是很牛逼[赞同] 👍🏽0 💭N/A IP 🕐2021-11-15 09:05:37
│ └── 码农的荒岛求生: [耶] 👍🏽0 💭N/A IP 🕐2021-11-18 13:07:50
│ └── 捻旧: 答主答主,我现在大一下了,我要学pathyon了[可怜][可怜]有点难啊[捂脸] 👍🏽0 💭N/A IP 🕐2022-03-07 18:54:22
│ └── 码农的荒岛求生: 才大一,有的是时间,再难也能学会[酷] 👍🏽0 💭N/A IP 🕐2022-03-08 07:39:24
如梦令: 人列计算机[机智] 👍🏽0 💭N/A IP 🕐2021-11-14 17:09:05
陈xx: 感觉可以拓展一下出个芯片设计的科普 👍🏽0 💭N/A IP 🕐2021-11-10 13:44:05
博子说猫: 看完后,我感觉自己都牛逼了许多。[赞同][赞同][赞同] 👍🏽0 💭N/A IP 🕐2021-11-10 14:15:33
│ └── 码农的荒岛求生: [赞] 👍🏽0 💭N/A IP 🕐2021-11-18 13:07:58
下水道的陶渊明: 这些知识应该纳入高考啊! 👍🏽0 💭N/A IP 🕐2021-11-09 01:14:49
扬梦: 极大增加了我对编程的兴趣[大笑] 👍🏽0 💭N/A IP 🕐2021-11-06 17:02:51
│ └── 码农的荒岛求生: [酷] 👍🏽0 💭N/A IP 🕐2021-11-18 13:08:05
随便康康: 欲罢不能 👍🏽0 💭N/A IP 🕐2021-11-06 21:38:07
大齿轮: 必须评论,真的很符合“科普” 👍🏽0 💭N/A IP 🕐2021-11-04 15:52:48
疯癫小猪: 这不比大学稀里糊涂学了一学期的课好理解[大笑] 👍🏽0 💭N/A IP 🕐2021-11-04 14:27:53
八级大狂风丶: 两个与非门组合的存储那里没看懂[蹲][蹲][蹲][蹲],只给了R,S的值。A.B都没给值怎么确定输出呢呢 👍🏽0 💭N/A IP 🕐2021-11-02 18:55:05
sweety: 电子专业觉得很淦 👍🏽0 💭N/A IP 🕐2021-10-30 15:45:39
从明天开始不熬夜: [赞同] 👍🏽0 💭N/A IP 🕐2021-10-31 12:06:26
李某人: 一个字,牛;两个字,真牛;三个字,太牛了 简单明了易懂 👍🏽0 💭N/A IP 🕐2021-10-28 20:27:02
│ └── 码农的荒岛求生: [耶] 👍🏽0 💭N/A IP 🕐2021-11-18 13:13:23
triumph: 牛逼 👍🏽0 💭N/A IP 🕐2021-10-16 19:56:12
森刚韩卡: 要是我早10年看到这样的文章,现在的我就不会在工地搬砖[笑哭][笑哭] 👍🏽0 💭N/A IP 🕐2021-10-14 17:53:09
东海小霸王: 讲解的很好,但是我没看懂,后面的不想看了,因为我的脑子不允许我记这么多东西。 👍🏽0 💭N/A IP 🕐2021-10-11 14:05:40
│ └── 码农的荒岛求生: 哈哈哈,也可以适当了解一下[机智] 👍🏽0 💭N/A IP 🕐2021-10-12 19:48:47
│ └── 东海小霸王: 前面的与门或门还能理解,后面的真不行了,超出我的脑容量了,只能帮你点赞喊牛逼了,哈哈 👍🏽0 💭N/A IP 🕐2021-10-13 09:32:40
探花: 以为用红石做个二极管。[尴尬] 👍🏽0 💭N/A IP 🕐2021-10-11 16:50:57
燕北舞: 普通人看了都能读懂的好文章! 👍🏽0 💭N/A IP 🕐2021-10-10 16:47:13
│ └── 码农的荒岛求生: 哈哈,非常感谢你的肯定[大笑] 👍🏽0 💭N/A IP 🕐2021-10-12 19:51:17
我真帅: 虽然看不懂,但是感觉很厉害 👍🏽0 💭N/A IP 🕐2021-10-10 11:41:44
天天抱狗睡: 逻辑电路在物理层面是如何实现的没有讲,然而这才是最关键的 👍🏽0 💭N/A IP 🕐2021-10-06 02:06:39
黑山: 现在大数据已经可以读取人脑中的信息了?我前几天还在想,计算机到底是什么原理,今天就刷到同题材的内容,到底是哪里出了问题? 👍🏽0 💭N/A IP 🕐2021-10-06 10:20:45
│ └── 码农的荒岛求生: 可能是搜索了相关内容[大笑] 👍🏽0 💭N/A IP 🕐2021-10-08 13:03:07
阿拉丁: 这高中老师跟初中老师真够讨厌的[为难] 👍🏽0 💭N/A IP 🕐2021-10-06 08:36:23
可爱又迷人的反派角色: 我知道你说的很简单,除了前几页,有点懵以外,后面的越来越懵,看不下去了,有没有传送门在在在在大白话一点,对不起我是九漏鱼。。。 👍🏽0 💭N/A IP 🕐2021-10-05 05:06:50
曲植: 知乎遗风 👍🏽0 💭N/A IP 🕐2021-09-29 10:14:15
│ └── 码农的荒岛求生: 感谢这么高的肯定[耶] 👍🏽0 💭N/A IP 🕐2021-10-03 05:41:14
prove: 那大胆的猜想一下,现在C++,python,java已经处于树状结构的顶层了,如果把这些看成又一个中间层,那再上一层岂不是可以通过更加智能化的语言对计算机发出指令,比如语音指令,先英文,后面中文,再后面通过动作捕捉,眼神捕捉,甚至到后面思维捕捉。。。这一层又一层树状功能的堆叠下会不会因为量变产生质变最终生成人工智能。 👍🏽0 💭N/A IP 🕐2021-09-27 17:02:22
│ └── 码农的荒岛求生: 哈哈,想法不错,人工智能在这个方向的发展叫自然语言处理 👍🏽0 💭N/A IP 🕐2021-10-03 05:51:12
小牛: 诶嘿,计导课上刷到,正在讲CPU[捂脸] 👍🏽0 💭N/A IP 🕐2021-09-27 11:09:57
│ └── 码农的荒岛求生: [机智] 👍🏽0 💭N/A IP 🕐2021-10-03 05:49:32
嘉琪meow: 看不完,下一篇 👍🏽0 💭N/A IP 🕐2021-09-27 15:54:35
│ └── 码农的荒岛求生: [捂脸] 👍🏽0 💭N/A IP 🕐2021-10-03 05:49:23
伍陆柒: 1万赞2万收藏[赞同] 👍🏽0 💭N/A IP 🕐2021-09-26 21:05:25
│ └── 码农的荒岛求生: 哈哈,看起来大家还是喜欢默默的收藏[捂脸] 👍🏽1 💭N/A IP 🕐2021-10-03 05:49:04
淮北有一河: 这个就叫专业 👍🏽0 💭N/A IP 🕐2021-09-24 10:48:14
│ └── 码农的荒岛求生: 没错[大笑] 👍🏽0 💭N/A IP 🕐2021-09-26 13:37:56
多愁善感: 看了一点,看不懂了,放弃了,是不是我不适合学it[思考] 👍🏽0 💭N/A IP 🕐2021-09-20 17:00:17
17先生: 对于我来说,太难了 👍🏽0 💭N/A IP 🕐2021-09-19 13:28:20
百毒不侵杨杨: 早几年看到你这文章,说不定我还真就学习计算机和软件工程去了[捂脸][捂脸],写得很好,通俗易懂[赞][赞] 👍🏽0 💭N/A IP 🕐2021-09-15 01:20:39
优秀de小黄鸭: 真特么硬核。 👍🏽0 💭N/A IP 🕐2021-09-12 10:17:56
│ └── 码农的荒岛求生: [机智] 👍🏽0 💭N/A IP 🕐2021-09-13 19:51:56
路过: 要是当年看到这个,就不会成为退缩的材料狗了,而是码农了。多年后的我居然看懂了[思考] 👍🏽0 💭N/A IP 🕐2021-09-08 19:23:59
│ └── 码农的荒岛求生: [赞][大笑] 👍🏽0 💭N/A IP 🕐2021-09-13 20:15:05
2020: 太棒了超赞的回答 👍🏽0 💭N/A IP 🕐2021-09-08 23:22:16
│ └── 码农的荒岛求生: [耶] 👍🏽0 💭N/A IP 🕐2021-09-13 20:13:41
大葱一休: 收藏好[看看你] 👍🏽0 💭N/A IP 🕐2021-09-08 22:00:10
│ └── 码农的荒岛求生: 常回来看看[机智] 👍🏽0 💭N/A IP 🕐2021-09-13 20:14:03
啊家: 写得挺全的,但是好像缺了alu就是计算机的逻辑控制那块,再深一点可以写下流水线。 👍🏽0 💭N/A IP 🕐2021-09-08 14:21:02
│ └── 码农的荒岛求生: 有机会补一下[大笑] 👍🏽0 💭N/A IP 🕐2021-09-13 20:14:17
大老赖不赖: 看得明明白白 👍🏽0 💭N/A IP 🕐2021-09-07 10:41:38
│ └── 码农的荒岛求生: [耶] 👍🏽0 💭N/A IP 🕐2021-09-13 20:14:22
andrew kun: 感谢作者,读到这篇文章让我受益匪浅[大笑],希望能续集说下操作系统[大笑][大笑] 👍🏽0 💭N/A IP 🕐2021-09-07 13:45:19
│ └── 码农的荒岛求生: 博主有一个操作系统的专栏[大笑] 👍🏽0 💭N/A IP 🕐2021-09-13 20:14:52
我在知乎集表情包: 这是我能免费看的?[惊喜] 👍🏽0 💭N/A IP 🕐2021-09-02 19:07:20
│ └── 码农的荒岛求生: 没错[机智] 👍🏽0 💭N/A IP 🕐2021-09-07 06:00:21
子鱼: 牛逼,有空来学习一下 👍🏽0 💭N/A IP 🕐2021-09-01 10:15:07
卡卡卡: 33 👍🏽0 💭N/A IP 🕐2021-09-01 17:19:51
樹先生: 写得特别好,就是门电路、加法器、存储单元这一块看图示怎么都看不明白。。。通电过程究竟是怎样的[流泪] 👍🏽0 💭N/A IP 🕐2021-08-31 15:14:55
DarenSu: 牛逼 👍🏽0 💭N/A IP 🕐2021-08-27 22:18:03
│ └── 码农的荒岛求生: [耶] 👍🏽0 💭N/A IP 🕐2021-08-28 08:29:02
友好梦: 完全不懂 👍🏽0 💭N/A IP 🕐2021-08-27 21:21:34
│ └── 码农的荒岛求生: [捂脸] 👍🏽0 💭N/A IP 🕐2021-08-28 08:29:06
通晓宇宙: 你字多,跟你混。。。 👍🏽0 💭N/A IP 🕐2021-08-27 12:15:59
│ └── 码农的荒岛求生: 哈哈,只是因为字多吗[机智] 👍🏽0 💭N/A IP 🕐2021-08-28 08:29:22
柿子树: 牛批,我一个机械的竟然认真看完了 👍🏽0 💭N/A IP 🕐2021-08-26 23:22:55
│ └── 码农的荒岛求生: [赞] 👍🏽0 💭N/A IP 🕐2021-08-28 08:29:36
依惜如故: 简单直白[赞同] 👍🏽0 💭N/A IP 🕐2021-08-25 20:00:15
昔日: 看三体没看懂在您这看明白了,感谢! 👍🏽0 💭N/A IP 🕐2021-08-26 13:43:20
│ └── 码农的荒岛求生: 哈哈[赞] 👍🏽0 💭N/A IP 🕐2021-08-26 20:15:15
zouqiuyi1984: [思考][思考][思考]很有价值,逻辑完备可生万物! 👍🏽0 💭N/A IP 🕐2021-08-26 07:24:16
│ └── 码农的荒岛求生: [赞] 👍🏽0 💭N/A IP 🕐2021-08-26 07:47:02
拖油瓶: 太牛了。直接收藏 👍🏽0 💭N/A IP 🕐2021-08-24 13:39:22
│ └── 码农的荒岛求生: 收藏前别忘了点赞[机智] 👍🏽0 💭N/A IP 🕐2021-08-24 20:08:55
尚金: 感谢博主。 👍🏽0 💭N/A IP 🕐2021-08-25 09:19:16
一合行思: 写的确实好,深入浅出,语言幽默,浅显易懂,道法自然! 👍🏽0 💭N/A IP 🕐2021-08-25 01:54:33
│ └── 码农的荒岛求生: [耶] 👍🏽0 💭N/A IP 🕐2021-08-25 06:01:54
用户7199: 看到后面,学废了吧。[捂脸][捂脸] 👍🏽0 💭N/A IP 🕐2021-08-22 21:21:13
│ └── 码农的荒岛求生: 学废了[捂脸] 👍🏽0 💭N/A IP 🕐2021-08-23 20:43:46
忽逢桃花林: 什么时候可以使用中文编程哦 👍🏽0 💭N/A IP 🕐2021-08-22 16:45:18
│ └── 码农的荒岛求生: 易语言了解一下[大笑] 👍🏽0 💭N/A IP 🕐2021-08-23 20:44:18
远见不贱: 我一个小学毕业的人都感觉自己好像懂了,虽然我实际上还是什么都不懂[思考] 👍🏽0 💭N/A IP 🕐2021-08-20 20:25:54
一个浪荡的骚年: 明天开始准备造cpu 👍🏽0 💭N/A IP 🕐2021-08-15 22:26:41
一点一个思绪: 编程三年不如看三分钟文章 👍🏽0 💭N/A IP 🕐2021-08-15 00:01:17
│ └── 码农的荒岛求生: [耶] 👍🏽0 💭N/A IP 🕐2021-08-16 16:54:50
llzzww1988: 厉害 👍🏽0 💭N/A IP 🕐2021-08-13 10:34:16
一一一一一一: 当时学数字逻辑没搞懂,[思考]现在竟然看明白了[大笑]我果然是个天才 👍🏽0 💭N/A IP 🕐2021-08-13 12:42:50
│ └── 码农的荒岛求生: 哈哈[机智] 👍🏽0 💭N/A IP 🕐2021-08-14 11:53:35
│ └── 一一一一一一: [大笑]最近准备网络安全的校招,你觉得这行业怎么样? 👍🏽0 💭N/A IP 🕐2021-08-14 17:04:10
墨明棋妙: 写的真棒,如果我大一看到,技术应该会修炼的非常好。 👍🏽0 💭N/A IP 🕐2021-08-12 17:58:27
芋头馅儿包子: 仿佛回到了大二学模电数电单片机的时候[飙泪笑]答主写的太好了 👍🏽0 💭N/A IP 🕐2021-08-10 21:58:10
│ └── 码农的荒岛求生: [耶] 👍🏽0 💭N/A IP 🕐2021-08-11 20:13:32
雨夜月: 指令集具体是怎么控制底层硬件的呢? 👍🏽0 💭N/A IP 🕐2021-08-10 13:15:09
│ └── 码农的荒岛求生: 简单的说,一条指令的执行过程就是硬件对该指令的反应,这个过程好复杂,评论区有哪位高手能通俗易懂的说下吗[捂脸] 👍🏽0 💭N/A IP 🕐2021-08-11 20:17:11
郭维: 很好,准备进我的收藏夹铺尘吧[大笑] 👍🏽0 💭N/A IP 🕐2021-08-09 01:26:44
│ └── 码农的荒岛求生: [捂脸] 👍🏽0 💭N/A IP 🕐2021-08-09 20:02:14
啦啦啦: 牛啊牛啊,这TM竟然免费,良心大大滴好呀 👍🏽0 💭N/A IP 🕐2021-08-07 11:17:13
│ └── 码农的荒岛求生: [酷] 👍🏽0 💭N/A IP 🕐2021-08-09 20:08:08
Donnan: 他好像很想把我教会[可怜] 👍🏽0 💭N/A IP 🕐2021-08-06 16:15:58
│ └── 码农的荒岛求生: 哈哈哈,是这样 👍🏽0 💭N/A IP 🕐2021-08-09 20:02:33
│ └── jie: 学过数字电路的,大概能看懂60% 👍🏽0 💭N/A IP 🕐2021-11-16 15:53:34
卡巴: 我一门外汉竟然看完了,看完一脸懵逼状态。[捂脸] 👍🏽0 💭N/A IP 🕐2021-08-06 20:44:05
城世: 我特么居然看完老,虽然不知道看的是啥子 👍🏽0 💭N/A IP 🕐2021-08-04 22:18:23
CapSingle: 被模电数电支配的恐惧感又来了 👍🏽0 💭N/A IP 🕐2021-08-05 13:32:32
一只狸花: 不明觉厉 👍🏽0 💭N/A IP 🕐2021-08-04 17:36:44
风雨无阻888: [赞同]牛逼克拉斯 👍🏽0 💭N/A IP 🕐2021-08-04 20:09:47
老叁: 正在零基础自学Python,感谢答主!这应该是一篇值得十万赞的好文。[赞] 👍🏽0 💭N/A IP 🕐2021-08-03 22:02:07
浪遏飞舟: 哈哈,晶体管那一步可以讲一本模电,不要一句话带过。[思考] 👍🏽0 💭N/A IP 🕐2021-08-02 13:40:31
│ └── 码农的荒岛求生: [赞] 👍🏽0 💭N/A IP 🕐2021-08-02 20:07:02
流星: 简单易懂。兄弟你最棒 👍🏽0 💭N/A IP 🕐2021-08-01 11:17:31
│ └── 码农的荒岛求生: [酷] 👍🏽0 💭N/A IP 🕐2021-08-02 20:07:42
墨雪: 从头看到尾,看的津津有味 👍🏽0 💭N/A IP 🕐2021-07-25 15:39:13
│ └── 码农的荒岛求生: [耶] 👍🏽0 💭N/A IP 🕐2021-07-25 19:40:35
一叶扁舟: 感谢 👍🏽0 💭N/A IP 🕐2021-07-21 17:00:24
│ └── 码农的荒岛求生: [耶] 👍🏽0 💭N/A IP 🕐2021-07-21 21:00:48
啦啦啦啦: 带师,我悟了! 👍🏽0 💭N/A IP 🕐2021-07-20 17:51:16
│ └── 码农的荒岛求生: [赞] 👍🏽0 💭N/A IP 🕐2021-07-21 21:01:53
52Hertz: 原谅我脑子不够,先去收藏夹吃灰吧 👍🏽0 💭N/A IP 🕐2021-07-20 13:20:26
│ └── 码农的荒岛求生: [捂脸] 👍🏽0 💭N/A IP 🕐2021-07-21 21:02:12
柳下幽灵: 学校学汇编时操作过打孔编程,难受的一批 👍🏽0 💭N/A IP 🕐2021-07-16 17:09:45
三清: 高级 👍🏽0 💭N/A IP 🕐2021-07-15 22:25:02
Necins: 经我仔细比较多篇文章,我发现还真不能说是谁抄袭谁 👍🏽0 💭N/A IP 🕐2021-07-15 12:27:33
穿越平行线: [思考]居然看懂了这篇干货!为啥计算机原理老师不这样给我讲 👍🏽0 💭N/A IP 🕐2021-07-15 19:36:36
无限: 没点基础的我在寄存器就看不懂了 👍🏽0 💭N/A IP 🕐2021-07-13 23:30:01
正道的光: 再来个网络的介绍 👍🏽0 💭N/A IP 🕐2021-07-12 18:12:13
│ └── 码农的荒岛求生: 敬请期待 👍🏽0 💭N/A IP 🕐2021-07-14 21:16:24
一个小小扣扣句号: 看这个回答感觉在学上学期数字电路基础。。。 👍🏽0 💭N/A IP 🕐2021-07-12 06:10:02
薄幕: 知乎关于科技的文章真的很精髓。 👍🏽0 💭N/A IP 🕐2021-07-11 17:13:59
│ └── 码农的荒岛求生: [耶] 👍🏽0 💭N/A IP 🕐2021-07-14 21:20:18
无中生有: 牛,《编码》这本书的精髓被浓缩成精油了![赞] 👍🏽0 💭N/A IP 🕐2021-07-11 09:23:19
鲍不败传说: 大,大佬 👍🏽0 💭N/A IP 🕐2021-07-09 13:59:43
hy yh: NAND没讲清楚,有点跳跃不好理解 👍🏽0 💭N/A IP 🕐2021-07-06 17:32:53
清寡: 电工学完就忘[大哭] 👍🏽0 💭N/A IP 🕐2021-07-04 13:55:10
麦歌影像: 开头几个自然段,我还是能看懂的…… 👍🏽0 💭N/A IP 🕐2021-07-03 11:42:44
楚云深: 科普的很好了 👍🏽0 💭N/A IP 🕐2021-07-01 16:09:26
西楼东风: 头一次在知乎上收藏后接着看完的一篇文章。 👍🏽0 💭N/A IP 🕐2021-06-30 03:25:37
│ └── 码农的荒岛求生: 哈哈,江湖最高评价[酷] 👍🏽0 💭N/A IP 🕐2021-06-30 21:04:05
祢衡: 爱了爱了,非计算机专业学生也表示能看懂。请问一下这是属于什么学科知识?([抱抱]纯小白) 👍🏽0 💭N/A IP 🕐2021-06-28 10:45:41
└── jie: 数字电路,汇编语言,c语言,高级语言,数据结构都有 <span class="small-blue">👍🏽0 💭N/A IP 🕐2021-11-16 15:55:20</span>